オクラ
ちょっとびっくりしました!
長い間ず~っと同じだった第二種電気工事士の候補問題が2024年度から一部変更となったんです。
技能試験の公表候補問題は2017年から2023年まで変更がありませんでした。
変わったのは公表候補問題のNo.3とNo.13です。
解説しますので、技能試験を受験する方は参考にどうぞ。
変更箇所と難易度の変化
変更点
3も13もどちらも同じ変更で、次の通りです。
- 普通のコンセントが接地極付コンセントに変更
- 接地極付コンセントに接地線(E1.6)を施工する
実際に出題される問題を見てみないとわかりませんが、参考書や練習用材料セットでは接地線にIV1.6緑を使用しているようです。
練習用材料セットはいろんな会社から発売されており、値段の差も大きいです。
付属している部品やケーブルは同じなのでしっかり検討してお得に購入してください。
関連記事をチェック!
難易度はあがる?
これから候補問題を練習される方は、難易度があがってしまうのではと心配かもしれませんが・・・
オクラ
| 変更点 | 難易度の変化 |
|---|
| 普通のコンセントが接地極付きコンセントに変更 | 変化なし |
| 接地極付コンセントに接地線(E1.6)を施工する | 接地線を付けるだけ 1分程度の手間 |
難易度の変化は、接地線を施工するだけの手間が増えるだけになります。
作業的には、
接地線IV1.6を15cmにカット、被膜処理、コンセントに接地線を付ける
という施工になります。
これは、候補問題を1~13までひととおり練習すれば、なんなくできる作業です。
逆に、これを難しいと感じるようなら練習不足なので、しっかり勉強し直しましょう。
関連記事をチェック!
変更箇所の具体例(単線図の比較)
変更箇所を具体的に把握できるように、候補問題の単線図を比較してみます。
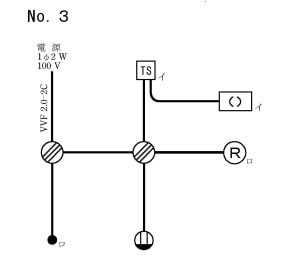
候補問題No.3の変更点
変更された候補問題の単線図はこちらです。
変更前と変更後を比較してみます。
赤枠で囲まれた部分が変更箇所になります。

変更前

変更後
わかりやすく変更された部分だけ切り取ってみたのが下図になります。
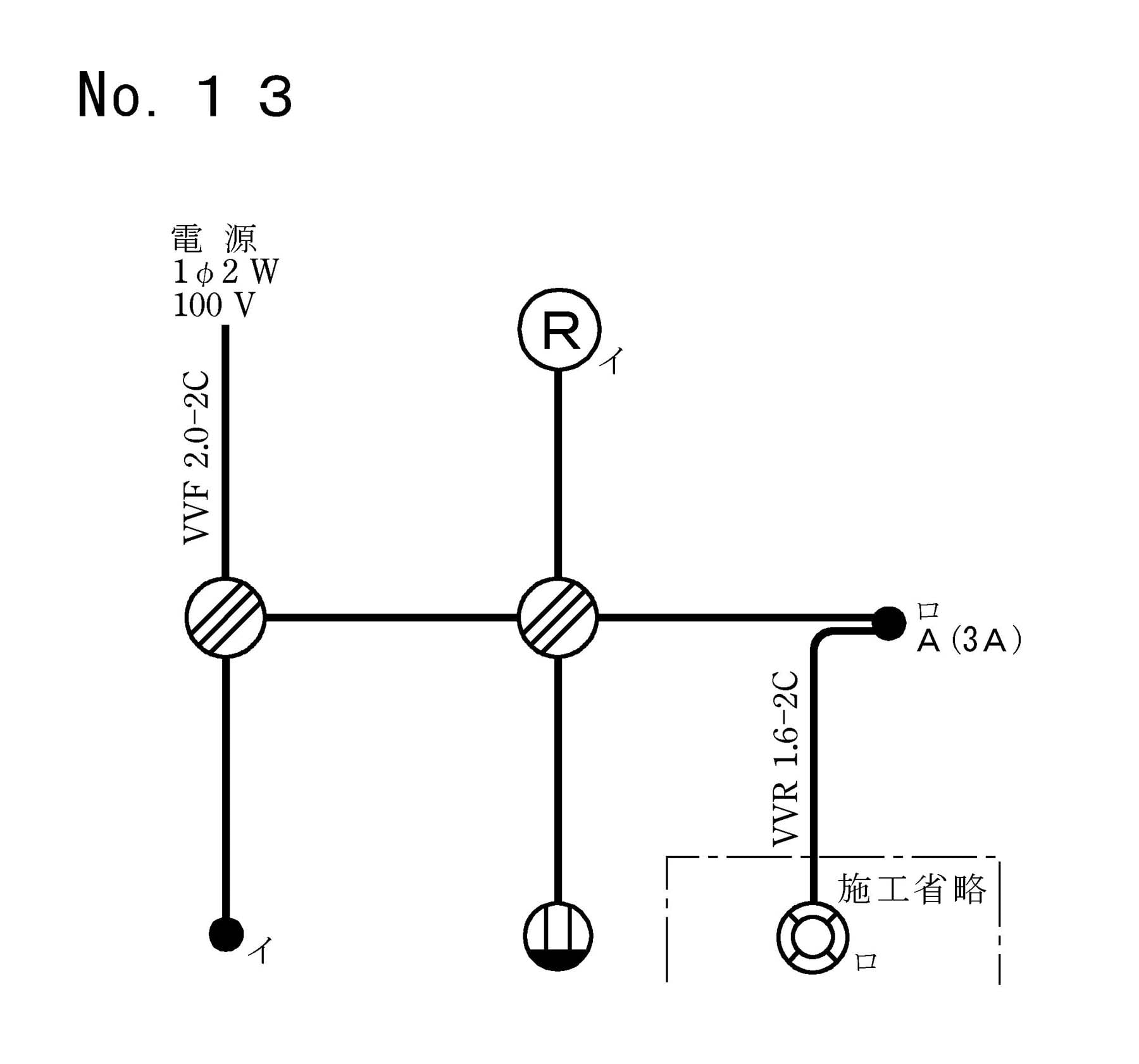
候補問題No.13の変更点
変更された候補問題の単線図はこちらです。
変更前と変更後を比較してみます。
赤枠で囲まれた部分が変更箇所になります。

変更前

変更点
変更内容はNo.3と全く同じです。
関連記事をチェック!
候補問題が変わった!変更点と難易度は?~まとめ
公表候補問題のうち2024年度より変更となったNo.3とNo.13を紹介しました。
変更点で増える作業は接地線(アース)の施工だけになりますので、難易度は変わりません。
第二種電気工事士の技能試験は実際に配線をおこなう実技が試される試験です。
繰り返し練習するだけで確実に合格が可能なので、しっかり練習しましょう!
オクラ
関連記事をチェック!
2023/10/13
第二種電気工事士【筆記】難しすぎるが楽になる!テキスト1周目の勉強法
第2種電気工事士筆記試験のテキスト1周目の勉強法の紹介です。いくつも資格試験に挑戦した経験から、勉強開始直後の不安を解消するための取り組み方を紹介します。これから勉強をはじめる方、はじめたばかりの方はぜひ参考にしてください。
ReadMore
2023/10/27
第二種電気工事士【初心者必見】技能試験突破のための3つの準備
第2種電気工事士技能試験へ向けて準備することをまとめました。技能試験は何をするのか、どんな工具が必要なのか、練習用材料セットはどうするのか・・・といった基本的な情報です。技能試験を受験する方は参考にどうぞ。
ReadMore
2020/6/9
資格の勉強法は過去問が重要!やるべき理由と5つのメリット
資格の勉強では参考書も大切だけど過去問(問題集)の方がさらに大切です。私自身の経験から、なぜ過去問が重要なのか、過去問をやるメリットは何かを考えてみました。過去問をやるかどうか迷っている人は本記事を参考にしてください。
ReadMore
2024/4/24
電気工事士2種の技能試験に過去問は存在しない!?その理由と対策
電気工事士2種(第二種電気工事士)の技能試験では事前に公表候補問題が発表されますが、過去問といえるものはあるのでしょうか?どうして前もって問題を公表しているのか、過去問はあるのかないのかを解説しています。
ReadMore
2022/3/25
第二種電気工事士【筆記】受験記、難しいけど「やさしい」試験です
第2種電気工事士の筆記試験を受験したときの体験記。会場のマイドームおおさかの様子や試験時間の注意点、難易度に関する感想です。
ReadMore
2023/10/13
HOZANの工具セットはVVFストリッパー付きがおすすめ【第二種電気工事士】
技能試験のために工具セットHOZAN社DK-28を購入。基本工具+VVFストリッパーがセットになった商品です。写真付きで紹介しています。また、VVFストリッパーが必要である理由もあわせて紹介しています。工具セット購入の参考にどうぞ。
ReadMore
2019/10/31
資格試験で正解率をアップする5つのコツ、受験本番すぐできるテクニック
資格試験や受験で正解率を上げるための5つのテクニックを紹介します。私が実際に心がけて実践しているちょっとしたコツになります。全て試験本番に簡単にできるもののばかりで労力ゼロの方法。合格に近づくための参考にしてください。
ReadMore
2025/5/13
第2種電気工事士【コスパ最高】技能試験練習セットのおすすめはコレ!
技能試験練習用の材料セットは色んな会社から販売されているので、どれを買えばいいか迷いますよね。代表的な3ブランド(ホーザン、モズシリーズ、準備万端シリーズ)の値段や付属品を比較検討してみました。あなたに最適な材料セットを見つけてください。
ReadMore
2024/4/11
第二種電気工事士【技能試験】初心者が一発合格するための独学勉強法
第二種電気工事士【技能試験】の独学勉強法の解説です。初心者だけど一発合格できた経験から試験対策の進め方や合格に近づくための6つのポイントを紹介します。これから勉強を始める方は参考にどうぞ。
ReadMore
2024/4/19
【電気工事士2種技能】候補問題が変わった!変更点と難易度は?
2024年度、第二種電気工事士技能試験の候補問題が一部変更されました。変更箇所の具体的な個所や難易度の変化について解説します。技能試験の勉強をはじめる人は参考にしてください。
ReadMore