第二種電気工事士は学科試験(筆記)と技能試験の2段階で合格しなくてはいけない資格です。
そして技能試験では実際に電気工事をやってみる「実技」が試されるので、公表されている13問の候補問題を練習しておく必要があります。
練習するには配線や回路を組み立てるためにケーブルや電線、そしてスイッチやコンセントなどの器具、結線のためのコネクタといった材料類を用意しなくてはいけません。
本記事では候補問題を練習するための材料をそろえるのに参考となるよう、各候補問題に必要なケーブルと器具を紹介。
読めば次の事がわかります
- 全13問を練習するのに必要なケーブル・器具の総量
- 各問題を練習するのに必要なケーブル・器具
技能試験の練習にどんな材料が必要なのか知りたいあなたは参考にどうぞ。
候補問題は2024年度より一部変更となりました。本記事の内容も変更箇所に対応して修正済みです。
全候補問題に必要な材料合計

13問の候補問題すべてを練習するのに必要な材料、部材を紹介します。
これから練習を開始する方やもう一度全候補問題を訓練したい方は参考にどうぞ。
必要なケーブル・電線
候補問題すべてを練習するのに必要なケーブル・電線の総合計になります。
購入しやすいように記号も明記し、単位はメートルで表記しています。
| ケーブル記号 | 名称 | 数量(m) | |
| VVF 1.6-2C | 600V ビニル絶縁ビニルシースケーブル平形 1.6mm 2心 | ![]() | 17.15 |
| VVF 1.6-3C | 600V ビニル絶縁ビニルシースケーブル平形 1.6mm 3心 | ![]() | 5.7 |
| VVF 2.0-2C 青色 | 600V ビニル絶縁ビニルシースケーブル平形 シース青色 2.0mm 2心 | ![]() | 3.45 |
| VVF 2.0-3C 青色 | 600V ビニル絶縁ビニルシースケーブル平形 シース青色 2.0mm 3心 | ![]() | 0.55 |
| VVF 2.0-3C | 600V ビニル絶縁ビニルシースケーブル平形 2.0mm 3心 黒・赤・緑 | ![]() | 0.35 |
| EM-EEF 2.0-2C | 600V ポリエチレン絶縁耐燃性ポリエチレンシースケーブル平形 2.0mm 2心 | ![]() | 0.25 |
| VVR 2.0-2C | 600V ビニル絶縁ビニルシースケーブル丸形 2.0mm 2心 | ![]() | 0.3 |
| VVR 1.6-2C | 600V ビニル絶縁ビニルシースケーブル丸形 1.6mm 2心 | ![]() | 0.25 |
| IV 1.6 黒色 | 600V ビニル絶縁電線 1.6mm 黒 | ![]() | 1.05 |
| IV 1.6 白色 | 600V ビニル絶縁電線 1.6mm 白 | ![]() | 0.85 |
| IV 1.6 赤色 | 600V ビニル絶縁電線 1.6mm 赤 | ![]() | 0.85 |
| IV 1.6 緑色 | 600V ビニル絶縁電線 1.6mm 緑 | ![]() | 0.3 |
| - | ボンド線1.6mm(裸銅線)※No.11で使用する場合あり | ![]() | 0.3 |
必要な器具
候補問題すべてを練習するのに必要な器具の合計になります。
全候補問題の合計数ではなく再利用前提での数量を算出しています(市販の材料セットも同様の構成です)。
※ランプレセプタクルは13問中12問で1個ずつ使用されていますが12個必要なわけでは無く、1つを再利用してくださいということです。
| 材料名 | 数量 |
| 引掛シーリングローゼット(丸型) | 1 |
| 引掛シーリングローゼット(角型) | 1 |
| ランプレセプタクル | 1 |
| 露出形コンセント | 1 |
| 配線用遮断器(100V 2 極1 素子) | 1 |
| ジョイントボックス(アウトレットボックス) | 1 |
| 埋込コンセント(20A250V 接地極付) | 1 |
| 埋込コンセント(15A125V 接地端子付接地極付) | 1 |
| 埋込コンセント(2 口) | 1 |
| 埋込連用コンセント | 1 |
| 埋込連用コンセント(接地極付) | 1 |
| 埋込連用パイロットランプ | 1 |
| 埋込連用タンブラスイッチ | 2 |
| 埋込連用タンブラスイッチ(位置表示灯内蔵) | 1 |
| 埋込連用タンブラスイッチ(3 路) | 2 |
| 埋込連用タンブラスイッチ(4 路) | 1 |
| 埋込連用取付枠 | 2 |
| 合成樹脂製可とう電線管(PF16) | 1 |
| 合成樹脂製可とう電線管用ボックスコネクタ(PF16) | 1 |
| ねじなし電線管(金属管)(E19) | 1 |
| 絶縁ブッシング(E19 用) | 1 |
| ねじなしボックスコネクタ(E19 用) | 1 |
| ゴムブッシング(19) | 3 |
| ゴムブッシング(25) | 3 |
| 端子台3極 ※練習時は6極で代用可能 | 1 |
| 端子台5極 ※練習時は6極で代用可能 | 1 |
| 端子台6極 | 1 |
| 差込型コネクタ(2 本用) | 4 |
| 差込型コネクタ(3 本用) | 2 |
| 差込型コネクタ(4 本用) | 2 |
| リングスリーブ(小)(100 個入り)※再利用不可のため必要総数(予備含む) | 100個入×1 |
| リングスリーブ(中)※再利用不可のため必要総数(予備含む) | 7 |
| 接地用取付ねじ ※使用しない場合あり | 1 |
端子台は6極で3極、5極を代用できるので6極のみの購入でも対応可能です。(市販のセット品も6極のみの場合が多いです)
おすすめセット品
全問題の練習用にケーブル・器具をそろえる場合は材料セット(練習用キット)を購入するのが一番簡単な方法です。
セット品ならホームセンターやネットでひとつずつそろえるより手間がかからず、コストも安くなります。
↓代表的な3社の比較記事です。一番安く練習できるレンタル版も紹介しています。
各候補問題別の材料一覧

13問ある各候補問題それぞれの必要材料を紹介します。
苦手な問題だけもう一度やりたい方などは参考にしてください。
器具は再利用してケーブル類のみ追加購入というパターンがほとんどだと思いますので材料一覧を紹介した後、さらにケーブルと器具に分けて記載しています。
↓各公表候補問題の問題及び解答はこちらをご覧ください。
(一財)電気技術者試験センター(公式):令和5年度第二種電気工事士上期技能試験
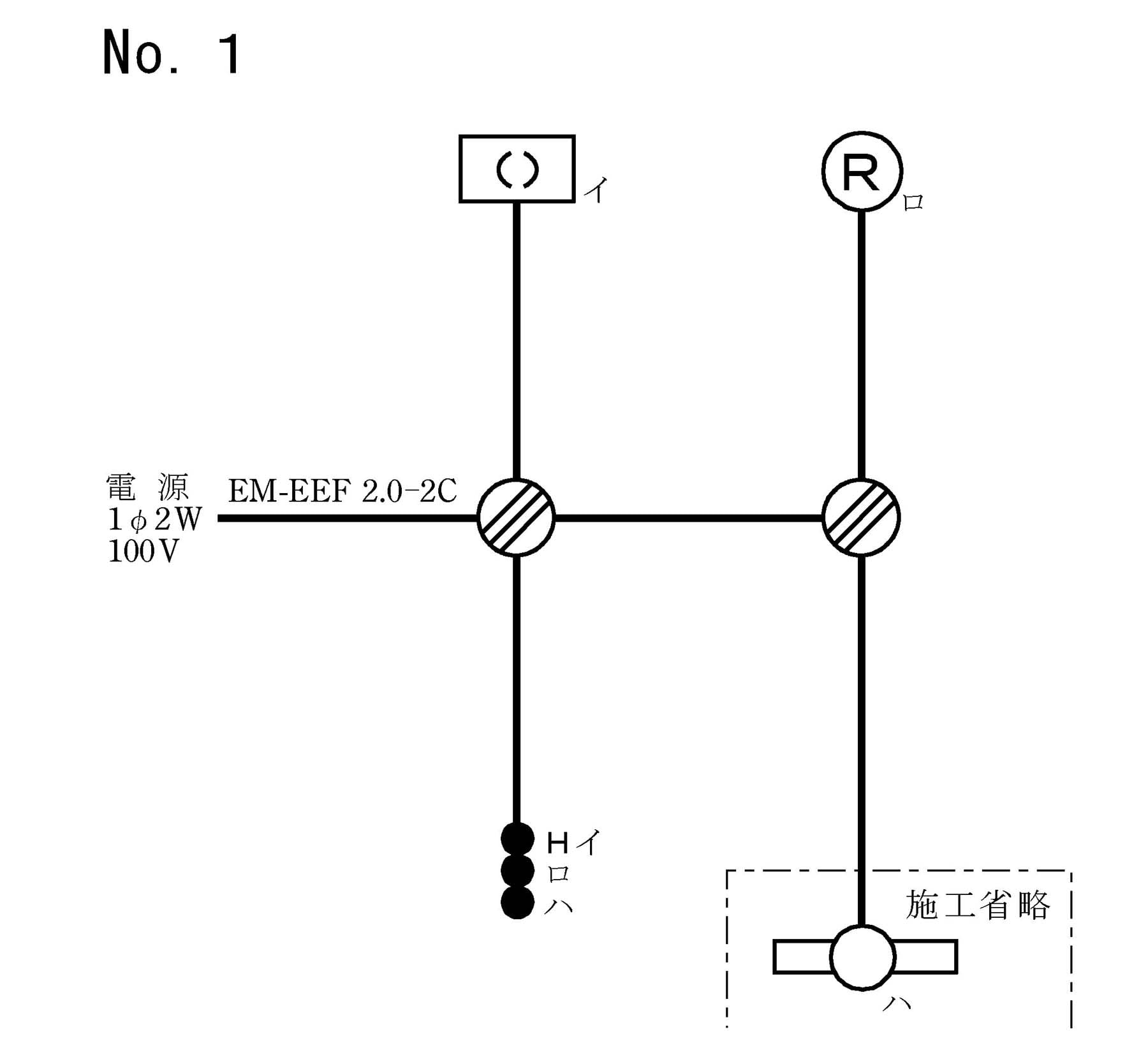
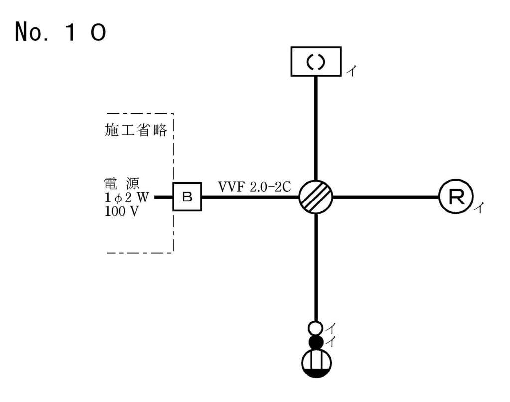
No.1

材料一覧
| 材料名 | 数量 |
| 600Vポリエチレン絶縁耐燃性ポリエチレンシースケーブル平形,2.0mm,2心,長さ約250mm | 1本 |
| 600Vビニル絶縁ビニルシースケーブル平形,1.6mm,2心,長さ約900mm | 2本 |
| 600Vビニル絶縁ビニルシースケーブル平形,1.6mm,3心,長さ約350mm | 1本 |
| ランプレセプタクル(カバーなし) | 1個 |
| 引掛シーリングローゼット(ボディ(角形)のみ) | 1個 |
| 埋込連用タンブラスイッチ | 2個 |
| 埋込連用タンブラスイッチ(位置表示灯内蔵) | 1個 |
| 埋込連用取付枠 | 1枚 |
| リングスリーブ(小)(予備品を含む) | 8個 |
| 差込形コネクタ(2本用) | 2個 |
| 差込形コネクタ(3本用) | 1個 |
必要なケーブル・電線
購入しやすいように記号も明記し、単位はメートルで表記しています。
| ケーブル記号 | 名称 | 数量(m) |
| VVF 1.6-2C | 600V ビニル絶縁ビニルシースケーブル平形 1.6mm 2心 | 1.8 |
| VVF 1.6-3C | 600V ビニル絶縁ビニルシースケーブル平形 1.6mm 3心 | 0.35 |
| EM-EEF 2.0-2C | 600V ポリエチレン絶縁耐燃性ポリエチレンシースケーブル平形 2.0mm 2心 | 0.25 |
必要な器具
器具類は消耗品以外は再利用できますので必要に応じて購入してください。
| 材料名 | 数量 |
| ランプレセプタクル(カバーなし) | 1個 |
| 引掛シーリングローゼット(ボディ(角形)のみ) | 1個 |
| 埋込連用タンブラスイッチ | 2個 |
| 埋込連用タンブラスイッチ(位置表示灯内蔵) | 1個 |
| 埋込連用取付枠 | 1枚 |
| リングスリーブ(小)(予備品を含む) | 8個 |
| 差込形コネクタ(2本用) | 2個 |
| 差込形コネクタ(3本用) | 1個 |
No.2

材料一覧
| 材料名 | 数量 |
| 600Vビニル絶縁ビニルシースケーブル平形(シース青色),2.0mm,2心,長さ約250mm | 1本 |
| 600Vビニル絶縁ビニルシースケーブル平形,1.6mm,2心,長さ約1250mm | 1本 |
| 600Vビニル絶縁ビニルシースケーブル平形,1.6mm,3心,長さ約800mm | 1本 |
| ランプレセプタクル(カバーなし) | 1個 |
| 埋込連用タンブラスイッチ | 1個 |
| 埋込連用パイロットランプ | 1個 |
| 埋込コンセント(2口) | 1個 |
| 埋込連用コンセント | 1個 |
| 埋込連用取付枠 | 1枚 |
| リングスリーブ(小)(予備品を含む) | 5個 |
| 差込形コネクタ(3本用) | 2個 |
| 差込形コネクタ(4本用) | 1個 |
必要なケーブル・電線
購入しやすいように記号も明記し、単位はメートルで表記しています。
| ケーブル記号 | 名称 | 数量(m) |
| VVF 1.6-2C | 600V ビニル絶縁ビニルシースケーブル平形 1.6mm 2心 | 1.25 |
| VVF 1.6-3C | 600V ビニル絶縁ビニルシースケーブル平形 1.6mm 3心 | 0.8 |
| VVF 2.0-2C 青色 | 600V ビニル絶縁ビニルシースケーブル平形 シース青色 2.0mm 2心 | 0.25 |
必要な器具
器具類は消耗品以外は再利用できますので必要に応じて購入してください。
| 材料名 | 数量 |
| ランプレセプタクル(カバーなし) | 1個 |
| 埋込連用タンブラスイッチ | 1個 |
| 埋込連用パイロットランプ | 1個 |
| 埋込コンセント(2口) | 1個 |
| 埋込連用コンセント | 1個 |
| 埋込連用取付枠 | 1枚 |
| リングスリーブ(小)(予備品を含む) | 5個 |
| 差込形コネクタ(3本用) | 2個 |
| 差込形コネクタ(4本用) | 1個 |
No.3
材料一覧
| 材料名 | 数量 |
| 600Vビニル絶縁ビニルシースケーブル平形(シース青色),2.0mm,2心,長さ約250mm | 1本 |
| 600Vビニル絶縁ビニルシースケーブル平形,1.6mm,2心,長さ約1650mm | 1本 |
| 600Vビニル絶縁ビニルシースケーブル平形,1.6mm,3心,長さ約350mm | 1本 |
| ランプレセプタクル(カバーなし) | 1個 |
| 引掛シーリングローゼット(ボディ(角形)のみ) | 1個 |
| 端子台(タイムスイッチの代用),3極 | 1個 |
| 埋込連用タンブラスイッチ | 1個 |
| 埋込連用コンセント(接地極付) | 1個 |
| 埋込連用取付枠 | 1枚 |
| リングスリーブ(小)(予備品を含む) | 5個 |
| 差込形コネクタ(2本用) | 1個 |
| 差込形コネクタ(3本用) | 1個 |
| 差込形コネクタ(4本用) | 1個 |
必要なケーブル・電線
購入しやすいように記号も明記し、単位はメートルで表記しています。
| ケーブル記号 | 名称 | 数量(m) |
| VVF 1.6-2C | 600V ビニル絶縁ビニルシースケーブル平形 1.6mm 2心 | 1.65 |
| VVF 1.6-3C | 600V ビニル絶縁ビニルシースケーブル平形 1.6mm 3心 | 0.35 |
| VVF 2.0-2C 青色 | 600V ビニル絶縁ビニルシースケーブル平形 シース青色 2.0mm 2心 | 0.25 |
| IV 1.6 緑色 | 600V ビニル絶縁電線 1.6mm 緑 | 0.15 |
必要な器具
器具類は消耗品以外は再利用できますので必要に応じて購入してください。
| 材料名 | 数量 |
| ランプレセプタクル(カバーなし) | 1個 |
| 引掛シーリングローゼット(ボディ(角形)のみ) | 1個 |
| 端子台(タイムスイッチの代用),3極 | 1個 |
| 埋込連用タンブラスイッチ | 1個 |
| 埋込連用コンセント(接地極付) | 1個 |
| 埋込連用取付枠 | 1枚 |
| リングスリーブ(小)(予備品を含む) | 5個 |
| 差込形コネクタ(2本用) | 1個 |
| 差込形コネクタ(3本用) | 1個 |
| 差込形コネクタ(4本用) | 1個 |
No.4

材料一覧
| 材料名 | 数量 |
| 600Vビニル絶縁ビニルシースケーブル平形(シース青色),2.0mm,2心,長さ約450mm | 1本 |
| 600Vビニル絶縁ビニルシースケーブル平形(シース青色),2.0mm,3心,長さ約550mm | 1本 |
| 600Vビニル絶縁ビニルシースケーブル平形,1.6mm,2心,長さ約850mm | 1本 |
| 600Vビニル絶縁ビニルシースケーブル平形,1.6mm,3心,長さ約500mm | 1本 |
| 端子台(配線用遮断器及び漏電遮断器(過負荷保護付)の代用),5極 | 1個 |
| ランプレセプタクル(カバーなし) | 1個 |
| 引掛シーリングローゼット(ボディ(角形)のみ) | 1個 |
| 埋込連用タンブラスイッチ | 1個 |
| 埋込連用コンセント | 1個 |
| 埋込連用取付枠 | 1枚 |
| リングスリーブ(小)(予備品を含む) | 5個 |
| 差込形コネクタ(2本用) | 1個 |
| 差込形コネクタ(3本用) | 2個 |
必要なケーブル・電線
購入しやすいように記号も明記し、単位はメートルで表記しています。
| ケーブル記号 | 名称 | 数量(m) |
| VVF 1.6-2C | 600V ビニル絶縁ビニルシースケーブル平形 1.6mm 2心 | 0.85 |
| VVF 1.6-3C | 600V ビニル絶縁ビニルシースケーブル平形 1.6mm 3心 | 0.5 |
| VVF 2.0-2C 青色 | 600V ビニル絶縁ビニルシースケーブル平形 シース青色 2.0mm 2心 | 0.45 |
| VVF 2.0-3C 青色 | 600V ビニル絶縁ビニルシースケーブル平形 シース青色 2.0mm 3心 | 0.55 |
必要な器具
器具類は消耗品以外は再利用できますので必要に応じて購入してください。
| 材料名 | 数量 |
| 端子台(配線用遮断器及び漏電遮断器(過負荷保護付)の代用),5極 | 1個 |
| ランプレセプタクル(カバーなし) | 1個 |
| 引掛シーリングローゼット(ボディ(角形)のみ) | 1個 |
| 埋込連用タンブラスイッチ | 1個 |
| 埋込連用コンセント | 1個 |
| 埋込連用取付枠 | 1枚 |
| リングスリーブ(小)(予備品を含む) | 5個 |
| 差込形コネクタ(2本用) | 1個 |
| 差込形コネクタ(3本用) | 2個 |
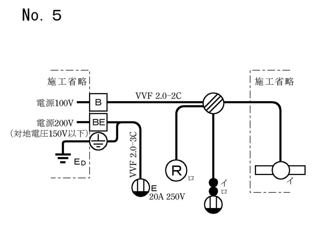
No.5

材料一覧
| 材料名 | 数量 |
| 600Vビニル絶縁ビニルシースケーブル平形(シース青色),2.0mm,2心,長さ約350mm | 1本 |
| 600Vビニル絶縁ビニルシースケーブル平形,2.0mm,3心,長さ約350mm | 1本 |
| 600Vビニル絶縁ビニルシースケーブル平形,1.6mm,2心,長さ約1650mm | 1本 |
| 端子台(配線用遮断器,漏電遮断器(過負荷保護付)及び接地端子の代用),5極 | 1個 |
| ランプレセプタクル(カバーなし) | 1個 |
| 埋込連用タンブラスイッチ | 2個 |
| 埋込コンセント(20A250V接地極付) | 1個 |
| 埋込連用コンセント | 1個 |
| 埋込連用取付枠 | 1枚 |
| リングスリーブ(小)(予備品を含む) | 5個 |
| 差込形コネクタ(4本用) | 1個 |
必要なケーブル・電線
購入しやすいように記号も明記し、単位はメートルで表記しています。
| ケーブル記号 | 名称 | 数量(m) |
| VVF 1.6-2C | 600V ビニル絶縁ビニルシースケーブル平形 1.6mm 2心 | 1.65 |
| VVF 2.0-2C 青色 | 600V ビニル絶縁ビニルシースケーブル平形 シース青色 2.0mm 2心 | 0.35 |
| VVF 2.0-3C | 600V ビニル絶縁ビニルシースケーブル平形 2.0mm 3心 黒・赤・緑 | 0.35 |
必要な器具
器具類は耗品以外は再利用できますので必要に応じて購入してください。
| 材料名 | 数量 |
| 端子台(配線用遮断器,漏電遮断器(過負荷保護付)及び接地端子の代用),5極 | 1個 |
| ランプレセプタクル(カバーなし) | 1個 |
| 埋込連用タンブラスイッチ | 2個 |
| 埋込コンセント(20A250V接地極付) | 1個 |
| 埋込連用コンセント | 1個 |
| 埋込連用取付枠 | 1枚 |
| リングスリーブ(小)(予備品を含む) | 5個 |
| 差込形コネクタ(4本用) | 1個 |
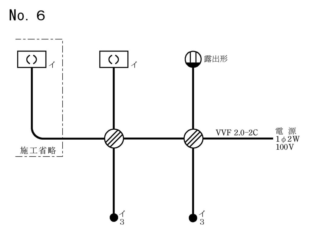
No.6

材料一覧
| 材料名 | 数量 |
| 600Vビニル絶縁ビニルシースケーブル平形(シース青色),2.0mm,2心,長さ約250mm | 1本 |
| 600Vビニル絶縁ビニルシースケーブル平形,1.6mm,2心,長さ約850mm | 1本 |
| 600Vビニル絶縁ビニルシースケーブル平形,1.6mm,3心,長さ約1050mm | 1本 |
| 露出形コンセント(カバーなし) | 1個 |
| 引掛シーリングローゼット(ボディ(角形)のみ) | 1個 |
| 埋込連用タンブラスイッチ(3路) | 2個 |
| 埋込連用取付枠 | 2枚 |
| リングスリーブ(小)(予備品を含む) | 6個 |
| 差込形コネクタ(2本用) | 2個 |
| 差込形コネクタ(3本用) | 2個 |
必要なケーブル・電線
購入しやすいように記号も明記し、単位はメートルで表記しています。
| ケーブル記号 | 名称 | 数量(m) |
| VVF 1.6-2C | 600V ビニル絶縁ビニルシースケーブル平形 1.6mm 2心 | 0.85 |
| VVF 1.6-3C | 600V ビニル絶縁ビニルシースケーブル平形 1.6mm 3心 | 1.05 |
| VVF 2.0-2C 青色 | 600V ビニル絶縁ビニルシースケーブル平形 シース青色 2.0mm 2心 | 0.25 |
必要な器具
器具類は消耗品以外は再利用できますので必要に応じて購入してください。
| 材料名 | 数量 |
| 露出形コンセント(カバーなし) | 1個 |
| 引掛シーリングローゼット(ボディ(角形)のみ) | 1個 |
| 埋込連用タンブラスイッチ(3路) | 2個 |
| 埋込連用取付枠 | 2枚 |
| リングスリーブ(小)(予備品を含む) | 6個 |
| 差込形コネクタ(2本用) | 2個 |
| 差込形コネクタ(3本用) | 2個 |
No.7

材料一覧
| 材料名 | 数量 |
| 600Vビニル絶縁ビニルシースケーブル平形(シース青色),2.0mm,2心,長さ約250mm | 1本 |
| 600Vビニル絶縁ビニルシースケーブル平形,1.6mm,2心,長さ約1400mm | 1本 |
| 600Vビニル絶縁ビニルシースケーブル平形,1.6mm,3心,長さ約1150mm | 1本 |
| ジョイントボックス(アウトレットボックス)(19mm3箇所,25mm2箇所ノックアウト打抜き済み) | 1個 |
| ランプレセプタクル(カバーなし) | 1個 |
| 埋込連用タンブラスイッチ(3路) | 2個 |
| 埋込連用タンブラスイッチ(4路) | 1個 |
| 埋込連用取付枠 | 1枚 |
| ゴムブッシング(19) | 3個 |
| ゴムブッシング(25) | 2個 |
| リングスリーブ(小)(予備品を含む) | 6個 |
| 差込形コネクタ(2本用) | 4個 |
| 差込形コネクタ(3本用) | 2個 |
必要なケーブル・電線
購入しやすいように記号も明記し、単位はメートルで表記しています。
| ケーブル記号 | 名称 | 数量(m) |
| VVF 1.6-2C | 600V ビニル絶縁ビニルシースケーブル平形 1.6mm 2心 | 1.4 |
| VVF 1.6-3C | 600V ビニル絶縁ビニルシースケーブル平形 1.6mm 3心 | 1.15 |
| VVF 2.0-2C 青色 | 600V ビニル絶縁ビニルシースケーブル平形 シース青色 2.0mm 2心 | 0.25 |
必要な器具
器具類は消耗品以外は再利用できますので必要に応じて購入してください。
| 材料名 | 数量 |
| ジョイントボックス(アウトレットボックス)(19mm3箇所,25mm2箇所ノックアウト打抜き済み) | 1個 |
| ランプレセプタクル(カバーなし) | 1個 |
| 埋込連用タンブラスイッチ(3路) | 2個 |
| 埋込連用タンブラスイッチ(4路) | 1個 |
| 埋込連用取付枠 | 1枚 |
| ゴムブッシング(19) | 3個 |
| ゴムブッシング(25) | 2個 |
| リングスリーブ(小)(予備品を含む) | 6個 |
| 差込形コネクタ(2本用) | 4個 |
| 差込形コネクタ(3本用) | 2個 |
No.8

材料一覧
| 材料名 | 数量 |
| 600Vビニル絶縁ビニルシースケーブル丸形,2.0mm,2心,長さ約300mm | 1本 |
| 600Vビニル絶縁ビニルシースケーブル平形,1.6mm,2心,長さ約1100mm | 2本 |
| ジョイントボックス(アウトレットボックス)(19mm2箇所,25mm3箇所ノックアウト打抜き済み) | 1個 |
| 端子台(リモコンリレーの代用),6極 | 1個 |
| ランプレセプタクル(カバーなし) | 1個 |
| 引掛シーリングローゼット(ボディ(丸形)のみ) | 1個 |
| ゴムブッシング(19) | 2個 |
| ゴムブッシング(25) | 3個 |
| リングスリーブ(小)(予備品を含む) | 5個 |
| 差込形コネクタ(4本用) | 2個 |
必要なケーブル・電線
購入しやすいように記号も明記し、単位はメートルで表記しています。
| ケーブル記号 | 名称 | 数量(m) |
| VVF 1.6-2C | 600V ビニル絶縁ビニルシースケーブル平形 1.6mm 2心 | 2.2 |
| VVR 2.0-2C | 600V ビニル絶縁ビニルシースケーブル丸形 2.0mm 2心 | 0.3 |
必要な器具
器具類は消耗品以外は再利用できますので必要に応じて購入してください。
| 材料名 | 数量 |
| ジョイントボックス(アウトレットボックス)(19mm2箇所,25mm3箇所ノックアウト打抜き済み) | 1個 |
| 端子台(リモコンリレーの代用),6極 | 1個 |
| ランプレセプタクル(カバーなし) | 1個 |
| 引掛シーリングローゼット(ボディ(丸形)のみ) | 1個 |
| ゴムブッシング(19) | 2個 |
| ゴムブッシング(25) | 3個 |
| リングスリーブ(小)(予備品を含む) | 5個 |
| 差込形コネクタ(4本用) | 2個 |
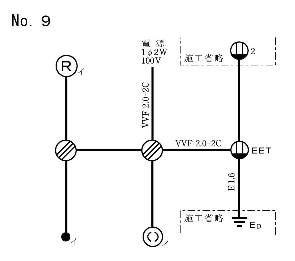
No.9

材料一覧
| 材料名 | 数量 |
| 600Vビニル絶縁ビニルシースケーブル平形(シース青色),2.0mm,2心,長さ約600mm | 1本 |
| 600Vビニル絶縁ビニルシースケーブル平形,1.6mm,2心,長さ約1250mm | 1本 |
| 600Vビニル絶縁ビニルシースケーブル平形,1.6mm,3心,長さ約350mm | 1本 |
| 600Vビニル絶縁電線(緑),1.6mm,長さ約150mm | 1本 |
| ランプレセプタクル(カバーなし) | 1個 |
| 引掛シーリングローゼット(ボディ(丸形)のみ) | 1個 |
| 埋込連用タンブラスイッチ | 1個 |
| 埋込コンセント(15A125V接地極付接地端子付) | 1個 |
| 埋込連用取付枠 | 1枚 |
| リングスリーブ(小)(予備品を含む) | 2個 |
| リングスリーブ(中)(予備品を含む) | 3個 |
| 差込形コネクタ(2本用) | 2個 |
| 差込形コネクタ(3本用) | 1個 |
必要なケーブル・電線
購入しやすいように記号も明記し、単位はメートルで表記しています。
| ケーブル記号 | 名称 | 数量(m) |
| VVF 1.6-2C | 600V ビニル絶縁ビニルシースケーブル平形 1.6mm 2心 | 1.25 |
| VVF 1.6-3C | 600V ビニル絶縁ビニルシースケーブル平形 1.6mm 3心 | 0.35 |
| VVF 2.0-2C 青色 | 600V ビニル絶縁ビニルシースケーブル平形 シース青色 2.0mm 2心 | 0.6 |
| IV 1.6 緑色 | 600V ビニル絶縁電線 1.6mm 緑 | 0.15 |
必要な器具
器具類は消耗品以外は再利用できますので必要に応じて購入してください。
| 材料名 | 数量 |
| ランプレセプタクル(カバーなし) | 1個 |
| 引掛シーリングローゼット(ボディ(丸形)のみ) | 1個 |
| 埋込連用タンブラスイッチ | 1個 |
| 埋込コンセント(15A125V接地極付接地端子付) | 1個 |
| 埋込連用取付枠 | 1枚 |
| リングスリーブ(小)(予備品を含む) | 2個 |
| リングスリーブ(中)(予備品を含む) | 3個 |
| 差込形コネクタ(2本用) | 2個 |
| 差込形コネクタ(3本用) | 1個 |
No.10

材料一覧
| 材料名 | 数量 |
| 600Vビニル絶縁ビニルシースケーブル平形(シース青色),2.0mm,2心,長さ約300mm | 1本 |
| 600Vビニル絶縁ビニルシースケーブル平形,1.6mm,2心,長さ約650mm | 1本 |
| 600Vビニル絶縁ビニルシースケーブル平形,1.6mm,3心,長さ約450mm | 1本 |
| 配線用遮断器(100V,2極1素子) | 1個 |
| ランプレセプタクル(カバーなし) | 1個 |
| 引掛シーリングローゼット(ボディ(角形)のみ) | 1個 |
| 埋込連用タンブラスイッチ | 1個 |
| 埋込連用パイロットランプ | 1個 |
| 埋込連用コンセント | 1個 |
| 埋込連用取付枠 | 1枚 |
| リングスリーブ(小)(予備品を含む) | 2個 |
| リングスリーブ(中)(予備品を含む) | 2個 |
| 差込形コネクタ(3本用) | 1個 |
必要なケーブル・電線
購入しやすいように記号も明記し、単位はメートルで表記しています。
| ケーブル記号 | 名称 | 数量(m) |
| VVF 1.6-2C | 600V ビニル絶縁ビニルシースケーブル平形 1.6mm 2心 | 0.65 |
| VVF 1.6-3C | 600V ビニル絶縁ビニルシースケーブル平形 1.6mm 3心 | 0.45 |
| VVF 2.0-2C 青色 | 600V ビニル絶縁ビニルシースケーブル平形 シース青色 2.0mm 2心 | 0.3 |
必要な器具
器具類は消耗品以外は再利用できますので必要に応じて購入してください。
| 材料名 | 数量 |
| 配線用遮断器(100V,2極1素子) | 1個 |
| ランプレセプタクル(カバーなし) | 1個 |
| 引掛シーリングローゼット(ボディ(角形)のみ) | 1個 |
| 埋込連用タンブラスイッチ | 1個 |
| 埋込連用パイロットランプ | 1個 |
| 埋込連用コンセント | 1個 |
| 埋込連用取付枠 | 1枚 |
| リングスリーブ(小)(予備品を含む) | 2個 |
| リングスリーブ(中)(予備品を含む) | 2個 |
| 差込形コネクタ(3本用) | 1個 |
No.11

材料一覧
| 材料名 | 数量 |
| 600Vビニル絶縁ビニルシースケーブル平形(シース青色),2.0mm,2心,長さ約250mm | 1本 |
| 600Vビニル絶縁ビニルシースケーブル平形,1.6mm,2心,長さ約1200mm | 1本 |
| 600Vビニル絶縁電線(黒),1.6mm,長さ約550mm | 1本 |
| 600Vビニル絶縁電線(白),1.6mm,長さ約450mm | 1本 |
| 600Vビニル絶縁電線(赤),1.6mm,長さ約450mm | 1本 |
| ジョイントボックス(アウトレットボックス19mm3箇所,25mm2箇所ノックアウト打抜き済み) | 1個 |
| ねじなし電線管(E19),長さ約120mm(端口処理済み) | 1本 |
| ねじなしボックスコネクタ(E19)ロックナット付,接地用端子は省略 | 1個 |
| ランプレセプタクル(カバーなし) | 1個 |
| 引掛シーリングローゼット(ボディ(角形)のみ) | 1個 |
| 埋込連用タンブラスイッチ | 2個 |
| 埋込連用コンセント | 1個 |
| 埋込連用取付枠 | 1枚 |
| 絶縁ブッシング(19) | 1個 |
| ゴムブッシング(19) | 2個 |
| ゴムブッシング(25) | 2個 |
| リングスリーブ(小)(予備品を含む) | 2個 |
| リングスリーブ(中)(予備品を含む) | 2個 |
| 差込形コネクタ(2本用) | 2個 |
必要なケーブル・電線
購入しやすいように記号も明記し、単位はメートルで表記しています。
| ケーブル記号 | 名称 | 数量(m) |
| VVF 1.6-2C | 600V ビニル絶縁ビニルシースケーブル平形 1.6mm 2心 | 1.2 |
| VVF 2.0-2C 青色 | 600V ビニル絶縁ビニルシースケーブル平形 シース青色 2.0mm 2心 | 0.25 |
| IV 1.6 黒色 | 600V ビニル絶縁電線 1.6mm 黒 | 0.55 |
| IV 1.6 白色 | 600V ビニル絶縁電線 1.6mm 白 | 0.45 |
| IV 1.6 赤色 | 600V ビニル絶縁電線 1.6mm 赤 | 0.45 |
必要な器具
器具類は消耗品以外は再利用できますので必要に応じて購入してください。
| 材料名 | 数量 |
| ジョイントボックス(アウトレットボックス19mm3箇所,25mm2箇所ノックアウト打抜き済み) | 1個 |
| ねじなし電線管(E19),長さ約120mm(端口処理済み) | 1本 |
| ねじなしボックスコネクタ(E19)ロックナット付,接地用端子は省略 | 1個 |
| ランプレセプタクル(カバーなし) | 1個 |
| 引掛シーリングローゼット(ボディ(角形)のみ) | 1個 |
| 埋込連用タンブラスイッチ | 2個 |
| 埋込連用コンセント | 1個 |
| 埋込連用取付枠 | 1枚 |
| 絶縁ブッシング(19) | 1個 |
| ゴムブッシング(19) | 2個 |
| ゴムブッシング(25) | 2個 |
| リングスリーブ(小)(予備品を含む) | 2個 |
| リングスリーブ(中)(予備品を含む) | 2個 |
| 差込形コネクタ(2本用) | 2個 |
ゴムブッシングは切り込みを入れたものを再利用でも構わないかと思います(私はそうしました)。
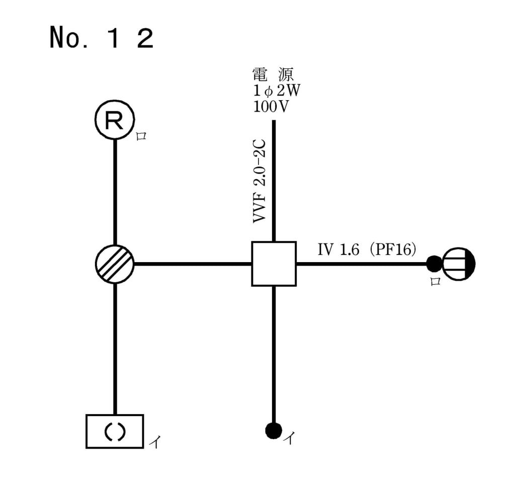
No.12

材料一覧
| 材料名 | 数量 |
| 600Vビニル絶縁ビニルシースケーブル平形(シース青色),2.0mm,2心,長さ約250mm | 1本 |
| 600Vビニル絶縁ビニルシースケーブル平形,1.6mm,2心,長さ約1000mm | 1本 |
| 600Vビニル絶縁ビニルシースケーブル平形,1.6mm,3心,長さ約350mm | 1本 |
| 600Vビニル絶縁電線(黒),1.6mm,長さ約500mm | 1本 |
| 600Vビニル絶縁電線(白),1.6mm,長さ約400mm | 1本 |
| 600Vビニル絶縁電線(赤),1.6mm,長さ約400mm | 1本 |
| ジョイントボックス(アウトレットボックス)(19mm4箇所ノックアウト打抜き済み) | 1個 |
| 合成樹脂製可とう電線管(PF16),長さ約70mm | 1本 |
| 合成樹脂製可とう電線管用ボックスコネクタ(PF16) | 1個 |
| ランプレセプタクル(カバーなし) | 1個 |
| 引掛シーリングローゼット(ボディ(角形)のみ) | 1個 |
| 埋込連用タンブラスイッチ | 2個 |
| 埋込連用コンセント | 1個 |
| 埋込連用取付枠 | 1枚 |
| ゴムブッシング(19) | 3個 |
| リングスリーブ(小)(予備品を含む) | 6個 |
| 差込形コネクタ(2本用) | 2個 |
| 差込形コネクタ(3本用) | 1個 |
必要なケーブル・電線
購入しやすいように記号も明記し、単位はメートルで表記しています。
| ケーブル記号 | 名称 | 数量(m) |
| VVF 1.6-2C | 600V ビニル絶縁ビニルシースケーブル平形 1.6mm 2心 | 1.0 |
| VVF 1.6-3C | 600V ビニル絶縁ビニルシースケーブル平形 1.6mm 3心 | 0.35 |
| VVF 2.0-2C 青色 | 600V ビニル絶縁ビニルシースケーブル平形 シース青色 2.0mm 2心 | 0.25 |
| IV 1.6 黒色 | 600V ビニル絶縁電線 1.6mm 黒 | 0.5 |
| IV 1.6 白色 | 600V ビニル絶縁電線 1.6mm 白 | 0.4 |
| IV 1.6 赤色 | 600V ビニル絶縁電線 1.6mm 赤 | 0.4 |
必要な器具
器具類は消耗品以外は再利用できますので必要に応じて購入してください。
| 材料名 | 数量 |
| ジョイントボックス(アウトレットボックス)(19mm4箇所ノックアウト打抜き済み) | 1個 |
| 合成樹脂製可とう電線管(PF16),長さ約70mm | 1本 |
| 合成樹脂製可とう電線管用ボックスコネクタ(PF16) | 1個 |
| ランプレセプタクル(カバーなし) | 1個 |
| 引掛シーリングローゼット(ボディ(角形)のみ) | 1個 |
| 埋込連用タンブラスイッチ | 2個 |
| 埋込連用コンセント | 1個 |
| 埋込連用取付枠 | 1枚 |
| ゴムブッシング(19) | 3個 |
| リングスリーブ(小)(予備品を含む) | 6個 |
| 差込形コネクタ(2本用) | 2個 |
| 差込形コネクタ(3本用) | 1個 |
ゴムブッシングは切り込みを入れたものを再利用でも構わないかと思います(私はそうしました)。
No.13
材料一覧
| 材料名 | 数量 |
| 600Vビニル絶縁ビニルシースケーブル平形(シース青色),2.0mm,2心,長さ約250mm | 1本 |
| 600Vビニル絶縁ビニルシースケーブル平形,1.6mm,2心,長さ約1400mm | 1本 |
| 600Vビニル絶縁ビニルシースケーブル平形,1.6mm,3心,長さ約350mm | 1本 |
| 600Vビニル絶縁ビニルシースケーブル丸形,1.6mm,2心,長さ約250mm | 1本 |
| 端子台(自動点滅器の代用),3極 | 1個 |
| ランプレセプタクル(カバーなし) | 1個 |
| 埋込連用タンブラスイッチ | 1個 |
| 埋込連用コンセント(接地極付) | 1個 |
| 埋込連用取付枠 | 1枚 |
| リングスリーブ(小)(予備品を含む) | 5個 |
| 差込形コネクタ(2本用) | 1個 |
| 差込形コネクタ(3本用) | 1個 |
| 差込形コネクタ(4本用) | 1個 |
必要なケーブル・電線
購入しやすいように記号も明記し、単位はメートルで表記しています。
| ケーブル記号 | 名称 | 数量(m) |
| VVF 1.6-2C | 600V ビニル絶縁ビニルシースケーブル平形 1.6mm 2心 | 1.4 |
| VVF 1.6-3C | 600V ビニル絶縁ビニルシースケーブル平形 1.6mm 3心 | 0.35 |
| VVF 2.0-2C 青色 | 600V ビニル絶縁ビニルシースケーブル平形 シース青色 2.0mm 2心 | 0.25 |
| VVR 1.6-2C | 600V ビニル絶縁ビニルシースケーブル丸形 1.6mm 2心 | 0.25 |
| IV 1.6 緑色 | 600V ビニル絶縁電線 1.6mm 緑 | 0.15 |
必要な器具
器具類は消耗品以外は再利用できますので必要に応じて購入してください。
| 材料名 | 数量 |
| 端子台(自動点滅器の代用),3極 | 1個 |
| ランプレセプタクル(カバーなし) | 1個 |
| 埋込連用タンブラスイッチ | 1個 |
| 埋込連用コンセント(接地極付) | 1個 |
| 埋込連用取付枠 | 1枚 |
| リングスリーブ(小)(予備品を含む) | 5個 |
| 差込形コネクタ(2本用) | 1個 |
| 差込形コネクタ(3本用) | 1個 |
| 差込形コネクタ(4本用) | 1個 |
おすすめ購入先(ばら売り)

電線ばら売り、器具ばら売りで購入できる2社のサイトを紹介しておきます。
ジェイメディアネット(準備万端シリーズ)
ジャパンエレグロス(モズシリーズ)
まとめ

技能試験は40分という限られた時間で電気工事を完成させなくてはいけない難易度の高い試験です。
各候補問題の練習だけではなく、輪作りや結線などの基本作業も素早く確実にできるように毎日少しずつ訓練しておく必要があります。
基本作業の練習は使用済みのケーブル類を再利用して、お財布に負担をかけずにやることもできます。
本記事を参考に必要な材料をそろえて、合格目指して練習を頑張ってください♪
当サイトでは私が電気工事士の試験を独学合格した経験から、皆さんに役立ててほしいという気持ちで書いた記事を掲載しています。
よろしければご覧ください。
技能試験って何するの?
そもそも技能試験って何をするのかどんな準備が必要なのか、知りたいあなたはこちらの記事をご覧ください。
おすすめ工具セットの紹介
工具セットに迷ったあなたにはホーザンのDK-28がおすすめ。
おすすめする理由とレビューはこちらの記事をご覧ください。
おすすめ材料セットの紹介
私が購入した材料セットの紹介とレビューです。
全部入りなのに安くておすすめです。




















